产品概述
对夹式软密封蝶阀适用于温度≤120℃,公称压力≤16MPa的食品、医药、化工、石油、电力、台金、城建、轻纺、造纸等给排水、气体管道上作调节流量和截流介质的作用。
1、减小转动力矩,支撑阀杆,并使其与阀体有效分离,减小阀杆的磨损。
2、经过抛光处理,与阀座精密配合。
3、实现气密性试验零泄漏要求,启闭力矩小,延长阀座使用寿命。
4、阀杆密封不易变形,从而避免了通常的阀杆泄漏现象。
5、精度高,强度大,适用于手柄及其它控制装置的安装。
6、牢固连接阀杆与阀板,具有防振脱特点,且易于更换。
7、整体性好,便于控制阀板启闭。
8、具有不脱落、抗拉、防泄漏、更换方便等特点。
9、作为管路中调节或截断介质的设备。
10、适用于手柄控制装置(DN50~300),蜗轮蜗杆、电动及气动控制装置。
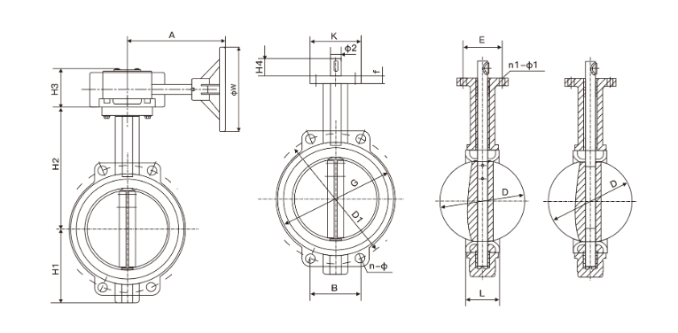
主要外形尺寸及重量(PN1.0/1.6MPa)
| DN(mm) | A | B | L | D1 | H4 | n-Φ | K | E | 4-Φ1 | Φ2 | G | 重量WT(kg) |
| 50 | 140 | 80 | 43 | 125 | 32 | 4-19 | 77 | 57.15 | 4-6.7 | 12.6 | 100 | 3.34 |
| 65 | 152 | 89 | 46 | 145 | 32 | 4-19 | 77 | 57.15 | 4-6.7 | 12.6 | 120 | 3.94 |
| 80 | 159 | 95 | 45.21 | 160 | 32 | 8-19 | 77 | 57.15 | 4-6.7 | 12.6 | 127 | 4.05 |
| 100 | 178 | 114 | 52.07 | 180 | 32 | 8-19 | 92 | 69.85 | 4-10.3 | 15.77 | 156 | 5.48 |
| 125 | 190 | 127 | 55.5 | 210 | 32 | 8-19 | 92 | 69.85 | 4-10.3 | 18.92 | 190 | 7.66 |
| 150 | 203 | 139 | 55.75 | 240 | 32 | 8-23 | 92 | 69.85 | 4-10.3 | 18.92 | 212 | 8.5 |
| 200 | 238 | 175 | 60.58 | 295 | 45 | 8-23 | 115 | 88.9 | 4-14.3 | 22.1 | 268 | 25 |
| 250 | 268 | 203 | 68 | 350 | 45 | 12-23 | 115 | 88.9 | 4-14.3 | 28.45 | 325 | 31.4 |
| 300 | 306 | 242 | 76.9 | 400 | 45 | 12-23 | 140 | 107.95 | 4-14.3 | 31.6 | 403 | 45.9 |
| 350 | 368 | 267 | 76.17 | 460 | 45 | 16-23 | 140 | 107.95 | 4-14.3 | 31.6 | 436 | 54 |
随着经济高速发展,市场竞争越来越激烈,用户对阀门产品的要求也越来越多,并且对服务的要求也越来越高;我司销售部门为适应市场发展的要求,专业设立了服务培训组,为服务质量添加完善的工作,我司的售前、售中、售后服务工作经由专业的销售员来完成。
一、冠环阀门售前服务:
做到技术与销售的良好结合,让用户的每一次采购都有较好的服务体验。
①进行采购前产品技术沟通和交流,主动给予建议。
②在进行产品型号选择时考虑是否成本合理工矿效率等问题。
③不能达到工矿要求时,根据客户的特殊要求,安排设计师合理改善。
二、冠环阀门售中服务:
尊重每位用户;给用户一份省心,放心的整体价值服务。
①进行性价比:比价格,比质量,比服务,反思是否有不做到位的地方。
②严格按相关标准和技术要求进行阀门的检测和试验。
③在合作过程中,依照合同,保质保量准时交货,随时保持与用户联系。
④定制期间,相关技术人员可来我司进行产品监造和检验,同时,我司会提供该产品的结构图及详细文件资料,来做监造文件。
⑤对特殊工矿或定做的产品,可协商专业技术员亲临现场指导。
⑥我公司在发货前以电话进行产品型号、口径、数量、件数的确认。
三、冠环阀门售后服务:
好的服务铸就好的企业让客户无后顾之忧。
①按合同要求提供产品的合格证、检验报告、安装说明书等。
②顾客在验收产品过程中,如出现与合同要求不符时,我司接到顾客通知后两小时内给予处理。
③我司提供十二个月的产品质保期,时间从验收合格之日起计算。
④在正确安装和使用下,出现产品质量问题,本公司将负责到底。
冠环阀门包修包换承诺:
①在正常的储运、安装、保养、使用条件下,因产品的质量问题不能正常使用时,提供三保四包: 保质、保量、保及时、包修、包换、包退、包损失。
②在接到质量信息反馈时,将在24小时内提出处理意见,并做到100小时内赶到现场做处理。
③可根据用户需求协商提供备品、备件和安装、调试、维修服务。
为了让您采购到满意的阀门,减少阀门订购过程出现的问题,也是提高我们工作人员的工作效率。我们希望您提供详尽的订货需求,以便我们为您提高更周到的服务!
阀门订货说明:
1、①产品名称与型号,②公称直径,③阀体材质,④公称压力,⑤使用介质,⑥使用温度,⑦驱动方式,⑧是否带附件,以便我们的为您正确选型。
2、如有特殊要求时请在订购产品时注明。
3、若已经由设计单位选定的型号,请按型号直接向我司销售部订购。
4、当使用的场合非常重要或环境比较复杂时,请您尽量提供设计图。
欢迎您访问我们的网站,如有任何疑问,您可以致电给我们,我们一定会尽心尽力为您提供高品质的服务,详细咨询:15000098987。

我要咨询



















021-67895388
shghfmc@163.com
93862333