对夹中线蝶阀(手柄)
产品型号:D71X
公称压力:
PN1.0~1.6MPa
公称通径:
DN50~DN300
连接方式:
对夹
使用介质:
水、油、气及各种腐蚀性介质
适用温度:
-10℃~120℃
连接标准:
GB·ANSI·DIN·API·ISO·BS
阀体材质:
铸铁;球墨铸铁;碳钢;不锈钢;铝青铜
阀座材质:
橡胶
阀板材料:
不锈钢;铝青铜;球墨铸铁
对夹中线蝶阀流道均为全衬弹性橡胶,碟板采用不锈钢,碟板与密封接触面部位经过精细研磨确保光滑性。使蝶阀在关闭或开启时碟板无间隙的紧贴着弹性橡胶,具有可靠的密封性。
技术标准
1、作为管路中调节或截断介质的设备。2、适用于手柄控制装置(DN50~300),蜗轮蜗杆、电动及气动控制装置。
3、设计与制造标准符合GB/T 12238、API 609。
4、压力试验符合GB/T 13927、API 598。
5、结构长度符合GB/T 12221、API 609。
6、侧法兰标准符合GB/T17241中PN1.0MPa、PN1.6MPa及ASME B16.1 125PSI。
产品特征
1、减小转动力矩,支撑阀杆,并使其与阀体有效分离,减小阀杆的磨损。2、经过抛光处理,与阀座精密配合。
3、实现气密性试验零泄漏要求,启闭力矩小,延长阀座使用寿命。
4、阀杆密封不易变形,从而避免了通常的阀杆泄漏现象。
5、精度高,强度大,适用于手柄及其它控制装置的安装。
6、牢固连接阀杆与阀板,具有防振脱特点,且易于更换。
7、整体性好,便于控制阀板启闭。
8、具有不脱落、抗拉、防泄漏、更换方便等特点。
9、作为管路中调节或截断介质的设备。
10、适用于手柄控制装置(DN50~300),蜗轮蜗杆、电动及气动控制装置。
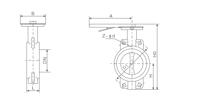
主要连接尺寸
|
公称通径 (DN) |
L | D1 | D | z-φd | H | H0 | A | B |
| 50 | 43 | 125 | 165 | 4-18 | 63 | 315 | 180 | 65 |
| 65 | 46 | 145 | 185 | 4-18 | 70 | 330 | 180 | 65 |
| 80 | 46 | 160 | 200 | 8-18 | 83 | 390 | 245 | 72 |
| 100 | 52 | 180 | 220 | 8-18 | 105 | 431 | 245 | 72 |
| 125 | 56 | 210 | 250 | 8-18 | 115 | 455 | 245 | 72 |
| 150 | 56 | 240 | 285 | 8-22 | 137 | 626 | 355 | 93 |
| 200 | 60 | 295 | 340 | 8-22 | 164 | 720 | 350 | 93 |
| 250 | 68 | 350 | 395 | 12-22 | 206 | 800 | 550 | 350 |
| 300 | 78 | 400 | 445 | 12-22 | 230 | 860 | 600 | 350 |
随着经济高速发展,市场竞争越来越激烈,用户对阀门产品的要求也越来越多,并且对服务的要求也越来越高;我司销售部门为适应市场发展的要求,专业设立了服务培训组,为服务质量添加完善的工作,我司的售前、售中、售后服务工作经由专业的销售员来完成。
一、冠环阀门售前服务:
做到技术与销售的良好结合,让用户的每一次采购都有较好的服务体验。
①进行采购前产品技术沟通和交流,主动给予建议。
②在进行产品型号选择时考虑是否成本合理工矿效率等问题。
③不能达到工矿要求时,根据客户的特殊要求,安排设计师合理改善。
二、冠环阀门售中服务:
尊重每位用户;给用户一份省心,放心的整体价值服务。
①进行性价比:比价格,比质量,比服务,反思是否有不做到位的地方。
②严格按相关标准和技术要求进行阀门的检测和试验。
③在合作过程中,依照合同,保质保量准时交货,随时保持与用户联系。
④定制期间,相关技术人员可来我司进行产品监造和检验,同时,我司会提供该产品的结构图及详细文件资料,来做监造文件。
⑤对特殊工矿或定做的产品,可协商专业技术员亲临现场指导。
⑥我公司在发货前以电话进行产品型号、口径、数量、件数的确认。
三、冠环阀门售后服务:
好的服务铸就好的企业让客户无后顾之忧。
①按合同要求提供产品的合格证、检验报告、安装说明书等。
②顾客在验收产品过程中,如出现与合同要求不符时,我司接到顾客通知后两小时内给予处理。
③我司提供十二个月的产品质保期,时间从验收合格之日起计算。
④在正确安装和使用下,出现产品质量问题,本公司将负责到底。
冠环阀门包修包换承诺:
①在正常的储运、安装、保养、使用条件下,因产品的质量问题不能正常使用时,提供三保四包: 保质、保量、保及时、包修、包换、包退、包损失。
②在接到质量信息反馈时,将在24小时内提出处理意见,并做到100小时内赶到现场做处理。
③可根据用户需求协商提供备品、备件和安装、调试、维修服务。
为了让您采购到满意的阀门,减少阀门订购过程出现的问题,也是提高我们工作人员的工作效率。我们希望您提供详尽的订货需求,以便我们为您提高更周到的服务!
阀门订货说明:
1、①产品名称与型号,②公称直径,③阀体材质,④公称压力,⑤使用介质,⑥使用温度,⑦驱动方式,⑧是否带附件,以便我们的为您正确选型。
2、如有特殊要求时请在订购产品时注明。
3、若已经由设计单位选定的型号,请按型号直接向我司销售部订购。
4、当使用的场合非常重要或环境比较复杂时,请您尽量提供设计图。
欢迎您访问我们的网站,如有任何疑问,您可以致电给我们,我们一定会尽心尽力为您提供高品质的服务,详细咨询:15000098987。

我要咨询



















021-67895388
shghfmc@163.com
93862333