手动暗板刀型闸阀
产品型号:DMZ73H
公称压力:国标PN10、PN16、美标150LB、日标10K、英标EN、德标DIN
通径范围:2"-50"(DN50-1250mm)
连接形式:对夹、全凸耳、圆形
传动机构:手动、电动、气动、液动、链轮、伞齿轮、电液动
主要材质:CF3M、CF8M、CF8、CF3
阀板材质:SS304、SS316、SS316L
密封材质:H、W、F、X、(丁腈橡胶、三元乙丙橡胶、氟橡胶)
填料材质:四氟、芳纶、高水基、橡胶、石墨
DMZ73H手动暗板刀型闸阀具有阀体结构长度短、重量轻、阀座密封面可免受介质冲刷,密封面受压均匀、贴合严密、在关闭过程中可将阀座密封面上的尘粒、焦油等刮走以及排污方便、防止介质外泄等优点;适宜在含粉尘或焦油的煤气管线中使用。
此种刀形闸的上密封突破了常规的密封形式,采用上盖结构,使得上密封由大面积的矩形密封改成了小面积的圆周密封,密封性能大大提高。在圆周密封的基础上,又采用了目前上先进的浮动密封改成了面积的圆周密封,密封性能大大提高。在圆周密封的基础上,又采用了目前上先进的浮动密封结构,使得上密封达到了与管道同寿命的程度,从而整体上提高了阀门的使用寿命。
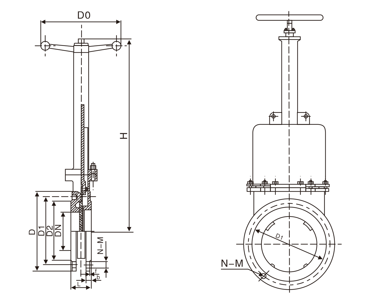
产品连接尺寸
|
公称压力 PN(MPa) |
公称通径 DN(mm) |
L |
D |
D1 |
D2 |
H |
N-M |
Do |
|
1.0 |
150 |
70 |
280 |
240 |
210 |
475 |
8-M20 |
280 |
|
200 |
80 |
335 |
295 |
265 |
540 |
8-M20 |
360 |
|
|
250 |
85 |
390 |
350 |
320 |
630 |
12-M20 |
360 |
|
|
300 |
100 |
440 |
400 |
368 |
780 |
12-M20 |
400 |
|
|
350 |
100 |
500 |
460 |
428 |
885 |
16-M20 |
400 |
|
|
400 |
110 |
565 |
515 |
482 |
990 |
16-M22 |
400 |
|
|
450 |
120 |
615 |
565 |
532 |
1100 |
20-M22 |
530 |
|
|
500 |
130 |
670 |
620 |
585 |
1200 |
20-M22 |
530 |
|
|
600 |
140 |
780 |
725 |
685 |
1450 |
20-M27 |
600 |
|
|
700 |
165 |
895 |
840 |
800 |
1700 |
24-M27 |
600 |
|
|
800 |
190 |
1010 |
950 |
905 |
2000 |
24-M30 |
680 |
|
|
900 |
200 |
1110 |
1050 |
1005 |
2300 |
28-M30 |
680 |
随着经济高速发展,市场竞争越来越激烈,用户对阀门产品的要求也越来越多,并且对服务的要求也越来越高;我司销售部门为适应市场发展的要求,专业设立了服务培训组,为服务质量添加完善的工作,我司的售前、售中、售后服务工作经由专业的销售员来完成。
一、冠环阀门售前服务:
做到技术与销售的良好结合,让用户的每一次采购都有较好的服务体验。
①进行采购前产品技术沟通和交流,主动给予建议。
②在进行产品型号选择时考虑是否成本合理工矿效率等问题。
③不能达到工矿要求时,根据客户的特殊要求,安排设计师合理改善。
二、冠环阀门售中服务:
尊重每位用户;给用户一份省心,放心的整体价值服务。
①进行性价比:比价格,比质量,比服务,反思是否有不做到位的地方。
②严格按相关标准和技术要求进行阀门的检测和试验。
③在合作过程中,依照合同,保质保量准时交货,随时保持与用户联系。
④定制期间,相关技术人员可来我司进行产品监造和检验,同时,我司会提供该产品的结构图及详细文件资料,来做监造文件。
⑤对特殊工矿或定做的产品,可协商专业技术员亲临现场指导。
⑥我公司在发货前以电话进行产品型号、口径、数量、件数的确认。
三、冠环阀门售后服务:
好的服务铸就好的企业让客户无后顾之忧。
①按合同要求提供产品的合格证、检验报告、安装说明书等。
②顾客在验收产品过程中,如出现与合同要求不符时,我司接到顾客通知后两小时内给予处理。
③我司提供十二个月的产品质保期,时间从验收合格之日起计算。
④在正确安装和使用下,出现产品质量问题,本公司将负责到底。
冠环阀门包修包换承诺:
①在正常的储运、安装、保养、使用条件下,因产品的质量问题不能正常使用时,提供三保四包: 保质、保量、保及时、包修、包换、包退、包损失。
②在接到质量信息反馈时,将在24小时内提出处理意见,并做到100小时内赶到现场做处理。
③可根据用户需求协商提供备品、备件和安装、调试、维修服务。
为了让您采购到满意的阀门,减少阀门订购过程出现的问题,也是提高我们工作人员的工作效率。我们希望您提供详尽的订货需求,以便我们为您提高更周到的服务!
阀门订货说明:
1、①产品名称与型号,②公称直径,③阀体材质,④公称压力,⑤使用介质,⑥使用温度,⑦驱动方式,⑧是否带附件,以便我们的为您正确选型。
2、如有特殊要求时请在订购产品时注明。
3、若已经由设计单位选定的型号,请按型号直接向我司销售部订购。
4、当使用的场合非常重要或环境比较复杂时,请您尽量提供设计图。
欢迎您访问我们的网站,如有任何疑问,您可以致电给我们,我们一定会尽心尽力为您提供高品质的服务,详细咨询:15000098987。


我要咨询











021-67895388
shghfmc@163.com