不锈钢截止阀
产品型号:J41W
公称通径:DN15-DN400mm
公称压力:PN1.6MPa-32MPa
适用介质:水、油、气
适用温度:-20℃-425℃
阀体材质:不锈钢
制造标准:GB/T 12235
结构标准:GB/T 12221
连接标准:JB/T 74-90、GB/T 9113
不锈钢截止阀是截止阀中的一种,对阀体材质要求比较高,一般有301、304、316等几种材质选择。广泛应用于化工、船舶、医药、食品机械等行业。由于开闭过程中密封面之间摩擦力小,比较耐用,开启高度不大,制造容易,维修方便。适用于各类腐蚀性介质的管道上,有良好的防腐性、足够的强度。
主要性能规范
| 型号 | 公称压力 | 试验压力 | 工作温度(℃) | 适用介质 | ||
| 强度(水)(Mpa) | 密封(水)空气(Mpa) | 低压密封空气(Mpa) | ||||
| J41W-16P(R) | 1.6 | 2.4 | 1.8 | 0.6 | ≤200 | NITRIC ACID |
| J41W-25P(R) | 2.5 | 3.8 | 2.8 | 0.6 | ≤200 | 硝酸类 |
| ACETIC ACID | ||||||
| 醋酸类 | ||||||
| NITRIV ACID | ||||||
| 硝酸类 | ||||||
| J41W-40P(R) | 4.0 | 6.0 | 4.4 | 0.6 | ≤200 | ACETIC ACID |
| J41W-64P(R) | 6.4 | 9.6 | 7.0 | 0.6 | ≤200 | 醋酸类 |
主要零件材质
| 零件名称 | ZG1Cr18Ni9Ti系列 | ZG00Cr18Ni10系列 | ZG1Cr18Ni12Mo2Ti系列 | ZG00Cr17Ni14Mo2系列 | WCB系列 |
| 阀体/阀盖 | ZG1Cr18Ni9Ti | ZG00Cr18Ni10 | ZG1Cr18Ni12Mo2Ti | ZG00Cr17Ni14Mo2 | WCB |
| 阀瓣 | ZG1Cr18Ni9Ti | ZG00Cr18Ni10 | ZG1Cr18Ni12Mo2Ti | ZG00Cr17Ni14Mo2 | 1Cr13 |
| 阀杆 | ZG1Cr18Ni9Ti | 00Cr18Ni10 | 1Cr18Ni12Mo2Ti | 00Cr17Ni14Mo2 | 1Cr13 |
| 填料 | PTFE编织 | PTFE编织 | PTFE编织 | PTFE编织 | 石墨 |
| 垫片 | 304+PTFE | 304L+PTFE | 316+PTFE | 316L+PTFE | 石墨+304 |
| 压盖 | ZG1Cr18Ni9Ti | ZG00Cr18Ni10 | ZG1Cr18Ni12Mo2Ti | ZG00Cr17Ni14Mo2 | WCB |
| 填料压环 | 1Cr18Ni9Ti | 00Cr18Ni10 | 1Cr18Ni12Mo2Ti | 00Cr17Ni14Mo2 | 1Cr13 |
| 螺栓 | 1Cr17Ni2 | 1Cr17Ni2 | 1Cr17Ni2 | 1Cr17Ni2 | 35CrMoA |
| 螺母 | 1Cr18Ni9Ti | 1Cr18Ni9Ti | 1Cr18Ni9Ti | 1Cr18Ni9Ti | 45 |
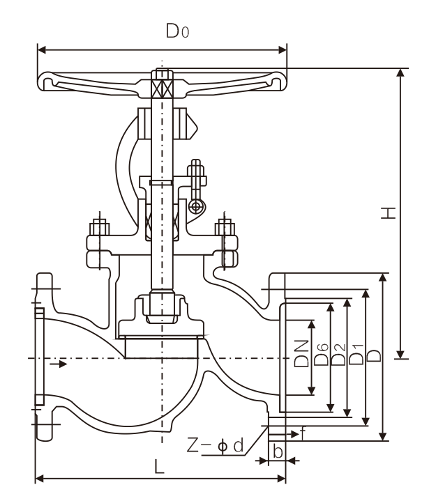
主要连接尺寸及重量(PN1.6MPa)
| 公称通径 DN | L | D | D1 | D2 | b | n-Φd | H | D0 |
| 10 | 130 | 90 | 60 | 40 | 14 | 4-Φ14 | 198 | 120 |
| 15 | 130 | 95 | 65 | 45 | 14 | 4-Φ14 | 218 | 120 |
| 20 | 150 | 105 | 75 | 55 | 14 | 4-Φ14 | 258 | 140 |
| 25 | 160 | 115 | 85 | 65 | 14 | 4-Φ14 | 275 | 140 |
| 32 | 180 | 135 | 100 | 78 | 16 | 4-Φ18 | 280 | 160 |
| 40 | 200 | 145 | 110 | 85 | 16 | 4-Φ18 | 330 | 180 |
| 50 | 230 | 160 | 125 | 100 | 16 | 4-Φ18 | 350 | 200 |
| 65 | 290 | 180 | 145 | 120 | 18 | 4-Φ18 | 370 | 280 |
| 80 | 310 | 195 | 160 | 135 | 20 | 8-Φ18 | 400 | 280 |
| 100 | 350 | 215 | 180 | 155 | 20 | 8-Φ18 | 415 | 320 |
| 125 | 400 | 245 | 210 | 185 | 22 | 8-Φ18 | 460 | 360 |
| 150 | 480 | 280 | 240 | 210 | 24 | 8-Φ23 | 510 | 450 |
| 200 | 600 | 335 | 295 | 265 | 26 | 12-Φ23 | 710 | 500 |
| 250 | 650 | 405 | 335 | 320 | 30 | 12-Φ25 | 786 | 550 |
| 300 | 750 | 460 | 410 | 375 | 30 | 12-Φ25 | 925 | 600 |
随着经济高速发展,市场竞争越来越激烈,用户对阀门产品的要求也越来越多,并且对服务的要求也越来越高;我司销售部门为适应市场发展的要求,专业设立了服务培训组,为服务质量添加完善的工作,我司的售前、售中、售后服务工作经由专业的销售员来完成。
一、冠环阀门售前服务:
做到技术与销售的良好结合,让用户的每一次采购都有较好的服务体验。
①进行采购前产品技术沟通和交流,主动给予建议。
②在进行产品型号选择时考虑是否成本合理工矿效率等问题。
③不能达到工矿要求时,根据客户的特殊要求,安排设计师合理改善。
二、冠环阀门售中服务:
尊重每位用户;给用户一份省心,放心的整体价值服务。
①进行性价比:比价格,比质量,比服务,反思是否有不做到位的地方。
②严格按相关标准和技术要求进行阀门的检测和试验。
③在合作过程中,依照合同,保质保量准时交货,随时保持与用户联系。
④定制期间,相关技术人员可来我司进行产品监造和检验,同时,我司会提供该产品的结构图及详细文件资料,来做监造文件。
⑤对特殊工矿或定做的产品,可协商专业技术员亲临现场指导。
⑥我公司在发货前以电话进行产品型号、口径、数量、件数的确认。
三、冠环阀门售后服务:
好的服务铸就好的企业让客户无后顾之忧。
①按合同要求提供产品的合格证、检验报告、安装说明书等。
②顾客在验收产品过程中,如出现与合同要求不符时,我司接到顾客通知后两小时内给予处理。
③我司提供十二个月的产品质保期,时间从验收合格之日起计算。
④在正确安装和使用下,出现产品质量问题,本公司将负责到底。
冠环阀门包修包换承诺:
①在正常的储运、安装、保养、使用条件下,因产品的质量问题不能正常使用时,提供三保四包: 保质、保量、保及时、包修、包换、包退、包损失。
②在接到质量信息反馈时,将在24小时内提出处理意见,并做到100小时内赶到现场做处理。
③可根据用户需求协商提供备品、备件和安装、调试、维修服务。
为了让您采购到满意的阀门,减少阀门订购过程出现的问题,也是提高我们工作人员的工作效率。我们希望您提供详尽的订货需求,以便我们为您提高更周到的服务!
阀门订货说明:
1、①产品名称与型号,②公称直径,③阀体材质,④公称压力,⑤使用介质,⑥使用温度,⑦驱动方式,⑧是否带附件,以便我们的为您正确选型。
2、如有特殊要求时请在订购产品时注明。
3、若已经由设计单位选定的型号,请按型号直接向我司销售部订购。
4、当使用的场合非常重要或环境比较复杂时,请您尽量提供设计图。
欢迎您访问我们的网站,如有任何疑问,您可以致电给我们,我们一定会尽心尽力为您提供高品质的服务,详细咨询:15000098987。

我要咨询











021-67895388
shghfmc@163.com
93862333