橡胶软接头
产品型号:KXT-16
公称通径:DN32~ 3000mm
公称压力:PN1.0~2.5MPa
适用温度:-15~+115℃ (特殊可达-30 ~ +250℃)
适用介质:空气、压缩空气、水、海水、热水、油、酸、喊等
主要材质:橡胶
可曲挠橡胶软接头是橡胶连接件的一种,由内胶层、锦纶帘子布增强、外胶层复合的橡胶球体和松套金属法兰组成。具有耐压高、弹性好、位移量大、平衡管道偏差、吸收振动、降低噪音效果好、安装方便等特点。广泛用于化工、建筑、给水、排水、石油、轻 重工业、冷冻、卫生、水暖、消防、电力等基础工程。
产品特点
1、橡胶接头可大大降低管道系统的震动和噪声,可根本上解决各类管路的接口位移,轴向伸缩及不同心度等问题。
2、根据材料不同橡胶接头可制成耐酸、耐碱、耐腐蚀、耐油、耐热等各类品种,适应多种介质和环境。
3、橡胶接头材料属极性橡胶,密封性好,重量轻,安装维修方便、使用寿命长,但避免与锋利金属器械接触,以免刺破球体。
4、如橡胶接头架空使用可配弹性支架,安装时螺栓要用对角法上紧。
5、如橡胶接头管路压力过高时,应用极限螺栓将两端法兰连在一起。
主要零部件材料
|
项目 |
型号 |
KXT-1 |
KXT-2 |
KXT-3 |
|
工作压力MPa(kgf/cm2) |
1.0(10) |
1.6(16) |
2.5(25) |
|
|
爆破压力MPa(kgf/cm2) |
2.0(20) |
3.0(30) |
4.5(45) |
|
|
真空度KPa(mm/Hg) |
53.3(400) |
86.7(650) |
100(750) |
|
|
适用温度℃ |
-15~+115,特殊可达-30~+250 |
|||
|
适用介质 |
空气、压缩空气、水、海水、热水、油、酸、碱等 |
|||
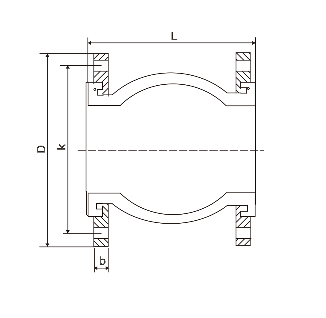
主要外形尺寸
| 公称通径DN |
长度 L |
法兰厚度 b |
螺栓数量 |
螺栓孔直径 mm |
螺栓孔中心圆直径K mm |
轴向位移mm |
横向位移 mm |
偏转角度 (a1+a2) |
||
| mm | 英寸 | 伸长 | 压缩 | |||||||
| 32 | 1.25 | 95 | 16 | 4 | 18 | 100 | 6 | 9 | 9 | 15° |
| 40 | 1.5 | 95 | 18 | 4 | 18 | 110 | 6 | 10 | 9 | 15° |
| 50 | 2 | 105 | 18 | 4 | 18 | 125 | 7 | 10 | 10 | 15° |
| 65 | 2.5 | 115 | 20 | 4 | 18 | 145 | 7 | 13 | 11 | 15° |
| 80 | 3 | 135 | 20 | 4 | 18 | 160 | 8 | 15 | 12 | 15° |
| 100 | 4 | 150 | 22 | 8 | 18 | 180 | 10 | 19 | 13 | 15° |
| 125 | 5 | 165 | 24 | 8 | 18 | 210 | 12 | 19 | 13 | 15° |
| 150 | 6 | 180 | 24 | 8 | 23 | 240 | 12 | 20 | 14 | 15° |
| 200 | 8 | 210 | 24 | 8 | 23 | 295 | 16 | 25 | 22 | 15° |
| 250 | 10 | 230 | 26 | 12 | 23 | 350 | 16 | 25 | 22 | 15° |
| 300 | 12 | 245 | 28 | 12 | 23 | 400 | 16 | 25 | 22 | 15° |
| 350 | 14 | 255 | 28 | 16 | 23 | 460 | 16 | 25 | 22 | 15° |
| 400 | 16 | 255 | 30 | 16 | 25 | 515 | 16 | 25 | 22 | 15° |
| 450 | 18 | 255 | 30 | 20 | 25 | 565 | 16 | 25 | 22 | 15° |
| 500 | 20 | 255 | 32 | 20 | 25 | 620 | 16 | 25 | 22 | 15° |
| 600 | 24 | 260 | 36 | 20 | 30 | 725 | 16 | 25 | 22 | 15° |
| 700 | 28 | 260 | 36 | 24 | 30 | 840 | 16 | 25 | 22 | 15° |
| 800 | 32 | 260 | 38 | 24 | 34 | 950 | 16 | 25 | 22 | 15° |
| 900 | 36 | 260 | 42 | 28 | 34 | 1050 | 16 | 25 | 22 | 15° |
| 1000 | 40 | 260 | 44 | 28 | 34 | 1160 | 18 | 26 | 24 | 15° |
| 1200 | 48 | 260 | 48 | 32 | 41 | 1380 | 18 | 26 | 24 | 15° |
| 1400 | 56 | 350 | 44 | 36 | 34 | 1560 | 20 | 28 | 26 | 15° |
| 1600 | 64 | 350 | 46 | 40 | 34 | 1760 | 25 | 35 | 30 | 10° |
| 1800 | 72 | 350 | 52 | 44 | 41 | 1970 | 25 | 35 | 30 | 10° |
| 2000 | 80 | 420 | 54 | 48 | 48 | 2180 | 25 | 35 | 30 | 10° |
| 2200 | 88 | 420 | 60 | 52 | - | 2390 | 25 | 35 | 30 | 10° |
| 2400 | 96 | 420 | 62 | 56 | - | 2600 | 25 | 35 | 30 | 10° |
| 2600 | 104 | 450 | 64 | 60 | - | 2810 | 25 | 35 | 30 | 10° |
| 2800 | 112 | 450 | 68 | 64 | - | 3020 | 25 | 35 | 30 | 10° |
| 3000 | 120 | 500 | 70 | 68 | - | 3220 | 25 | 35 | 30 | 10° |
随着经济高速发展,市场竞争越来越激烈,用户对阀门产品的要求也越来越多,并且对服务的要求也越来越高;我司销售部门为适应市场发展的要求,专业设立了服务培训组,为服务质量添加完善的工作,我司的售前、售中、售后服务工作经由专业的销售员来完成。
一、冠环阀门售前服务:
做到技术与销售的良好结合,让用户的每一次采购都有较好的服务体验。
①进行采购前产品技术沟通和交流,主动给予建议。
②在进行产品型号选择时考虑是否成本合理工矿效率等问题。
③不能达到工矿要求时,根据客户的特殊要求,安排设计师合理改善。
二、冠环阀门售中服务:
尊重每位用户;给用户一份省心,放心的整体价值服务。
①进行性价比:比价格,比质量,比服务,反思是否有不做到位的地方。
②严格按相关标准和技术要求进行阀门的检测和试验。
③在合作过程中,依照合同,保质保量准时交货,随时保持与用户联系。
④定制期间,相关技术人员可来我司进行产品监造和检验,同时,我司会提供该产品的结构图及详细文件资料,来做监造文件。
⑤对特殊工矿或定做的产品,可协商专业技术员亲临现场指导。
⑥我公司在发货前以电话进行产品型号、口径、数量、件数的确认。
三、冠环阀门售后服务:
好的服务铸就好的企业让客户无后顾之忧。
①按合同要求提供产品的合格证、检验报告、安装说明书等。
②顾客在验收产品过程中,如出现与合同要求不符时,我司接到顾客通知后两小时内给予处理。
③我司提供十二个月的产品质保期,时间从验收合格之日起计算。
④在正确安装和使用下,出现产品质量问题,本公司将负责到底。
冠环阀门包修包换承诺:
①在正常的储运、安装、保养、使用条件下,因产品的质量问题不能正常使用时,提供三保四包: 保质、保量、保及时、包修、包换、包退、包损失。
②在接到质量信息反馈时,将在24小时内提出处理意见,并做到100小时内赶到现场做处理。
③可根据用户需求协商提供备品、备件和安装、调试、维修服务。
为了让您采购到满意的阀门,减少阀门订购过程出现的问题,也是提高我们工作人员的工作效率。我们希望您提供详尽的订货需求,以便我们为您提高更周到的服务!
阀门订货说明:
1、①产品名称与型号,②公称直径,③阀体材质,④公称压力,⑤使用介质,⑥使用温度,⑦驱动方式,⑧是否带附件,以便我们的为您正确选型。
2、如有特殊要求时请在订购产品时注明。
3、若已经由设计单位选定的型号,请按型号直接向我司销售部订购。
4、当使用的场合非常重要或环境比较复杂时,请您尽量提供设计图。
欢迎您访问我们的网站,如有任何疑问,您可以致电给我们,我们一定会尽心尽力为您提供高品质的服务,详细咨询:15000098987。

我要咨询

































021-67895388
shghfmc@163.com
93862333