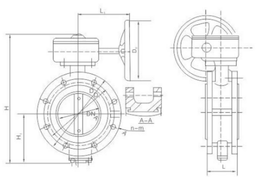
船用中心型法兰式蝶阀
公称通径:DN50~DN500
公称压力:PN1.0-1.6MPa、5K-16K、150Lb
阀体材料:铸钢、青铜、不锈钢、球墨铸铁
适用介质:海水、淡水、空气、原油、成品油
阀体型式:AF型、BF型、CF型、DF型、QF型、YF型
工作温度:-40℃~170℃
连接形式:法兰式
驱动型式:手柄式、蜗轮式、螺旋式、液动
主要外形尺寸
|
公称压力(Mpa) Nominal Pressure |
公称通径(mm) Nominal Diameter |
法兰式中心型蝶 Center-pivoted flanged butterfly valve |
||||||||||||||
|
AF 型 |
CF 型 |
DF 型 |
QF 型 |
YF 型 |
||||||||||||
|
H |
H1 |
L1 |
H |
H1 |
L1 |
H |
H1 |
L1 |
H |
H1 |
L1 |
H |
H1 |
L1 |
||
|
1.0 |
50 |
215 |
80 |
235 |
280 |
80 |
160 |
600 |
80 |
200 |
265 |
80 |
75 |
325 |
80 |
156 |
|
65 |
235 |
90 |
235 |
295 |
90 |
160 |
615 |
90 |
200 |
348 |
90 |
75 |
345 |
90 |
156 |
|
|
80 |
285 |
120 |
235 |
340 |
120 |
160 |
680 |
120 |
250 |
430 |
120 |
75 |
365 |
120 |
156 |
|
|
100 |
315 |
130 |
250 |
360 |
130 |
160 |
700 |
130 |
250 |
475 |
130 |
105 |
405 |
130 |
156 |
|
|
125 |
355 |
150 |
300 |
395 |
150 |
160 |
738 |
150 |
300 |
510 |
150 |
105 |
485 |
150 |
156 |
|
|
150 |
395 |
165 |
350 |
430 |
165 |
180 |
780 |
165 |
300 |
615 |
165 |
105 |
509 |
165 |
156 |
|
|
200 |
|
|
|
485 |
196 |
180 |
845 |
195 |
350 |
670 |
195 |
105 |
622 |
195 |
242 |
|
|
250 |
|
|
|
570 |
225 |
210 |
940 |
225 |
350 |
775 |
225 |
120 |
698 |
225 |
242 |
|
|
300 |
|
|
|
630 |
250 |
210 |
995 |
250 |
400 |
830 |
250 |
120 |
794 |
250 |
305 |
|
|
350 |
|
|
|
730 |
280 |
275 |
1058 |
280 |
400 |
930 |
280 |
140 |
860 |
280 |
305 |
|
|
400 |
|
|
|
800 |
310 |
275 |
1118 |
310 |
400 |
1000 |
310 |
140 |
908 |
310 |
325 |
|
|
450 |
|
|
|
875 |
344 |
275 |
1218 |
344 |
275 |
1050 |
395 |
340 |
995 |
344 |
305 |
|
|
500 |
|
|
|
960 |
382 |
350 |
1288 |
382 |
350 |
1160 |
405 |
380 |
1011 |
382 |
305 |
|
|
公称压力(Mpa) Nominal Pressure |
公称通径(mm) Nominal Diameter |
结构及法兰尺寸 Structure&flange dimension (ISO standard) |
|||||
|
D0 |
L |
D |
D1 |
n |
M |
||
|
1.0 |
50 |
160 |
43 |
165 |
125 |
4 |
M16 |
|
65 |
160 |
46 |
185 |
145 |
4 |
M16 |
|
|
80 |
160 |
46 |
200 |
160 |
8 |
M16 |
|
|
100 |
160 |
52 |
220 |
180 |
8 |
M16 |
|
|
125 |
160 |
56 |
250 |
210 |
8 |
M16 |
|
|
150 |
220 |
56 |
285 |
240 |
8 |
M20 |
|
|
200 |
220 |
60 |
340 |
295 |
8 |
M20 |
|
|
250 |
300 |
68 |
395 |
350 |
12 |
M20 |
|
|
300 |
300 |
78 |
445 |
400 |
12 |
M20 |
|
|
350 |
380 |
78 |
505 |
460 |
16 |
M20 |
|
|
400 |
380 |
102 |
565 |
515 |
16 |
M24 |
|
|
450 |
380 |
114 |
615 |
565 |
20 |
M24 |
|
|
500 |
380 |
127 |
670 |
620 |
20 |
M24 |
|
随着经济高速发展,市场竞争越来越激烈,用户对阀门产品的要求也越来越多,并且对服务的要求也越来越高;我司销售部门为适应市场发展的要求,专业设立了服务培训组,为服务质量添加完善的工作,我司的售前、售中、售后服务工作经由专业的销售员来完成。
一、冠环阀门售前服务:
做到技术与销售的良好结合,让用户的每一次采购都有较好的服务体验。
①进行采购前产品技术沟通和交流,主动给予建议。
②在进行产品型号选择时考虑是否成本合理工矿效率等问题。
③不能达到工矿要求时,根据客户的特殊要求,安排设计师合理改善。
二、冠环阀门售中服务:
尊重每位用户;给用户一份省心,放心的整体价值服务。
①进行性价比:比价格,比质量,比服务,反思是否有不做到位的地方。
②严格按相关标准和技术要求进行阀门的检测和试验。
③在合作过程中,依照合同,保质保量准时交货,随时保持与用户联系。
④定制期间,相关技术人员可来我司进行产品监造和检验,同时,我司会提供该产品的结构图及详细文件资料,来做监造文件。
⑤对特殊工矿或定做的产品,可协商专业技术员亲临现场指导。
⑥我公司在发货前以电话进行产品型号、口径、数量、件数的确认。
三、冠环阀门售后服务:
好的服务铸就好的企业让客户无后顾之忧。
①按合同要求提供产品的合格证、检验报告、安装说明书等。
②顾客在验收产品过程中,如出现与合同要求不符时,我司接到顾客通知后两小时内给予处理。
③我司提供十二个月的产品质保期,时间从验收合格之日起计算。
④在正确安装和使用下,出现产品质量问题,本公司将负责到底。
冠环阀门包修包换承诺:
①在正常的储运、安装、保养、使用条件下,因产品的质量问题不能正常使用时,提供三保四包: 保质、保量、保及时、包修、包换、包退、包损失。
②在接到质量信息反馈时,将在24小时内提出处理意见,并做到100小时内赶到现场做处理。
③可根据用户需求协商提供备品、备件和安装、调试、维修服务。
为了让您采购到满意的阀门,减少阀门订购过程出现的问题,也是提高我们工作人员的工作效率。我们希望您提供详尽的订货需求,以便我们为您提高更周到的服务!
阀门订货说明:
1、①产品名称与型号,②公称直径,③阀体材质,④公称压力,⑤使用介质,⑥使用温度,⑦驱动方式,⑧是否带附件,以便我们的为您正确选型。
2、如有特殊要求时请在订购产品时注明。
3、若已经由设计单位选定的型号,请按型号直接向我司销售部订购。
4、当使用的场合非常重要或环境比较复杂时,请您尽量提供设计图。
欢迎您访问我们的网站,如有任何疑问,您可以致电给我们,我们一定会尽心尽力为您提供高品质的服务,详细咨询:15000098987。

我要咨询













021-67895388
shghfmc@163.com
93862333