衬氟蝶阀
阀门型号:D341F46、D341F4法兰衬氟蝶阀
公称通径:DN50~DN1200mm~DN2600mm(DN2600大口径衬蝶阀厂家)公称压力:PN0.6~1.6MPa
适用温度:丁腈橡胶:-40℃~90℃;氟橡胶:-20℃~150℃
适用介质:水、空气、天然气、油品及弱腐蚀性流体
驱动方式:蜗轮传动、电动、气动、液动
阀体材质:WCB、QT450-10、HT200、HT250
制造标准:GB/T 122387-89
法兰标准:GB9113-2000、GB17241.6-1998
结构长度标准:GB12221-89
检验标准:GB/T 13927-92
产品概述
D341F46衬氟蝶阀(中线衬氟法兰蝶阀)采用带有球形密封表面的衬氟塑料包衬蝶板,配以阀座基部的硅橡胶衬垫调节阀门的密封性能;该阀门操作轻便,严密的密封性能,较长的使用寿命;可作快速切断或调节流量之用。适用于要求可靠密封和良好调节特性的场合。阀体采用分体式,阀轴现端的密封由蝶板与阀座之间的旋转基面加氟橡胶来控制,从而达到产品结构紧凑、外形美观、工艺合理、性能可靠。保证阀轴不与腔内流体介质接触,更换阀轴时非常方便,阀门不需要拆离离管道即可完成。产品广泛适用于各种不同类型工业管道中液体和气体(包括蒸气)的输送,衬氟法兰蝶阀也叫衬四氟蝶阀,特别是具有严惩腐蚀性介质的使用场合如硫酸、氢氟酸、磷、酸、LU气、强碱,王水等具有强腐蚀的介质。
主要技术参数
| 公称通径DN(mm) | 50~1200 | 50~1600 | |
| 公称压力PN(MPa) | 0.6 | 1.0 | 1.6 |
| 密封试验 (MPa) | 0.66 | 1.1 | 1.76 |
| 强度试验 (MPa) | 0.9 | 1.5 | 2.4 |
| 适用温度 | 丁腈橡胶:-40℃~90℃;氟橡胶:-20℃~200℃ | ||
| 适用介质 | 水、空气、天然气、油品及弱腐蚀性流体 | ||
| 泄漏率 | 符合GB/T13927-92标准 | ||
| 驱动方式 | 蜗轮传动、电动、气动、液动 | ||
主要零部件材料
| 零件名称 | 材料 |
| 阀体 | WCB、QT450-10、HT200、HT250 |
| 蝶板 | WCB、QT450-10、HT200、HT250 |
| 阀轴 | 2Cr13 |
| 密封圈 | 丁腈耐油橡胶 |
| 填料 | 柔性石墨 |
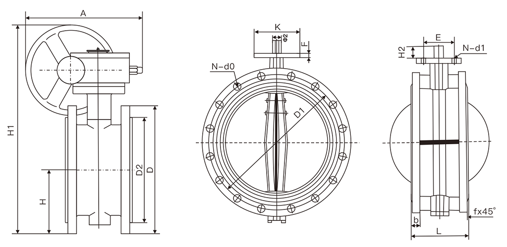
主要外形连接尺寸 单位:mm

| DN | L | H | H1 | A | B | ФD | ||
| 0.6MPa | 1.0MPa | 1.6MPa | ||||||
| 50 | 43 | 77 | 309 | 180 | 200 | 88 | 99 | 99 |
| 65 | 46 | 85 | 320 | 180 | 200 | 108 | 118 | 118 |
| 80 | 46 | 95 | 340 | 180 | 200 | 124 | 132 | 132 |
| 100 | 52 | 105 | 360 | 180 | 200 | 144 | 156 | 156 |
| 125 | 56 | 129 | 405 | 180 | 200 | 174 | 184 | 184 |
| 150 | 56 | 132 | 450 | 270 | 280 | 199 | 211 | 211 |
| 200 | 60 | 165 | 607 | 270 | 280 | 254 | 266 | 266 |
| 250 | 68 | 197 | 659 | 270 | 280 | 309 | 319 | 319 |
| 300 | 78 | 234 | 742 | 380 | 420 | 363 | 370 | 370 |
| 350 | 78 | 283 | 792 | 380 | 420 | 413 | 429 | 429 |
| 400 | 102 | 325 | 887 | 450 | 470 | 463 | 480 | 480 |
| 450 | 114 | 369 | 935 | 480 | 490 | 518 | 530 | 548 |
| 500 | 127 | 404 | 985 | 480 | 490 | 568 | 582 | 609 |
| 600 | 154 | 470 | 1243 | 480 | 490 | 667 | 682 | 720 |
| 700 | 165 | 503 | 1346 | 640 | 660 | 772 | 794 | 794 |
| 800 | 190 | 571 | 1466 | 640 | 660 | 878 | 901 | 901 |
| 900 | 203 | 621 | 1565 | 750 | 860 | 978 | 1001 | 1001 |
| 1000 | 216 | 702 | 1781 | 850 | 900 | 1078 | 1112 | 1112 |
| 1200 | 254 | 818 | 1965 | 850 | 900 | 1295 | 1328 | 1328 |
随着经济高速发展,市场竞争越来越激烈,用户对阀门产品的要求也越来越多,并且对服务的要求也越来越高;我司销售部门为适应市场发展的要求,专业设立了服务培训组,为服务质量添加完善的工作,我司的售前、售中、售后服务工作经由专业的销售员来完成。
一、冠环阀门售前服务:
做到技术与销售的良好结合,让用户的每一次采购都有较好的服务体验。
①进行采购前产品技术沟通和交流,主动给予建议。
②在进行产品型号选择时考虑是否成本合理工矿效率等问题。
③不能达到工矿要求时,根据客户的特殊要求,安排设计师合理改善。
二、冠环阀门售中服务:
尊重每位用户;给用户一份省心,放心的整体价值服务。
①进行性价比:比价格,比质量,比服务,反思是否有不做到位的地方。
②严格按相关标准和技术要求进行阀门的检测和试验。
③在合作过程中,依照合同,保质保量准时交货,随时保持与用户联系。
④定制期间,相关技术人员可来我司进行产品监造和检验,同时,我司会提供该产品的结构图及详细文件资料,来做监造文件。
⑤对特殊工矿或定做的产品,可协商专业技术员亲临现场指导。
⑥我公司在发货前以电话进行产品型号、口径、数量、件数的确认。
三、冠环阀门售后服务:
好的服务铸就好的企业让客户无后顾之忧。
①按合同要求提供产品的合格证、检验报告、安装说明书等。
②顾客在验收产品过程中,如出现与合同要求不符时,我司接到顾客通知后两小时内给予处理。
③我司提供十二个月的产品质保期,时间从验收合格之日起计算。
④在正确安装和使用下,出现产品质量问题,本公司将负责到底。
冠环阀门包修包换承诺:
①在正常的储运、安装、保养、使用条件下,因产品的质量问题不能正常使用时,提供三保四包: 保质、保量、保及时、包修、包换、包退、包损失。
②在接到质量信息反馈时,将在24小时内提出处理意见,并做到100小时内赶到现场做处理。
③可根据用户需求协商提供备品、备件和安装、调试、维修服务。
为了让您采购到满意的阀门,减少阀门订购过程出现的问题,也是提高我们工作人员的工作效率。我们希望您提供详尽的订货需求,以便我们为您提高更周到的服务!
阀门订货说明:
1、①产品名称与型号,②公称直径,③阀体材质,④公称压力,⑤使用介质,⑥使用温度,⑦驱动方式,⑧是否带附件,以便我们的为您正确选型。
2、如有特殊要求时请在订购产品时注明。
3、若已经由设计单位选定的型号,请按型号直接向我司销售部订购。
4、当使用的场合非常重要或环境比较复杂时,请您尽量提供设计图。
欢迎您访问我们的网站,如有任何疑问,您可以致电给我们,我们一定会尽心尽力为您提供高品质的服务,详细咨询:15000098987。

我要咨询

























021-67895388
shghfmc@163.com
93862333