德标Y型过滤器
公称通径:DN15—DN400mm
公称压力:PN≤1.6Mpa(其它工作压力可按用户要求设计)
工作温度:≤90℃
过滤精度:10-480目
壳体材质:QT450、304、304L、316、316L
密封材料:聚四氟乙烯、丁腈橡胶、耐油石棉胶
设计标准: DIN 3357 EN 12516-1
壁厚标准: ASME B16.34 EN 12516-1
防火标准: API 307 ISO 10497
结构长度: DIN 3202
法兰标准: DIN EN 1092-1
检测标准: DIN 3230 EN 12266
产品概述
新型过滤器是输送介质管道上不可缺少的一种装置,通常安装在减压阀、泄压阀、定水位阀或其它设备的进口端,用来消除介质中的污垢、锈等杂物,以保护阀门及设备的正常使用。
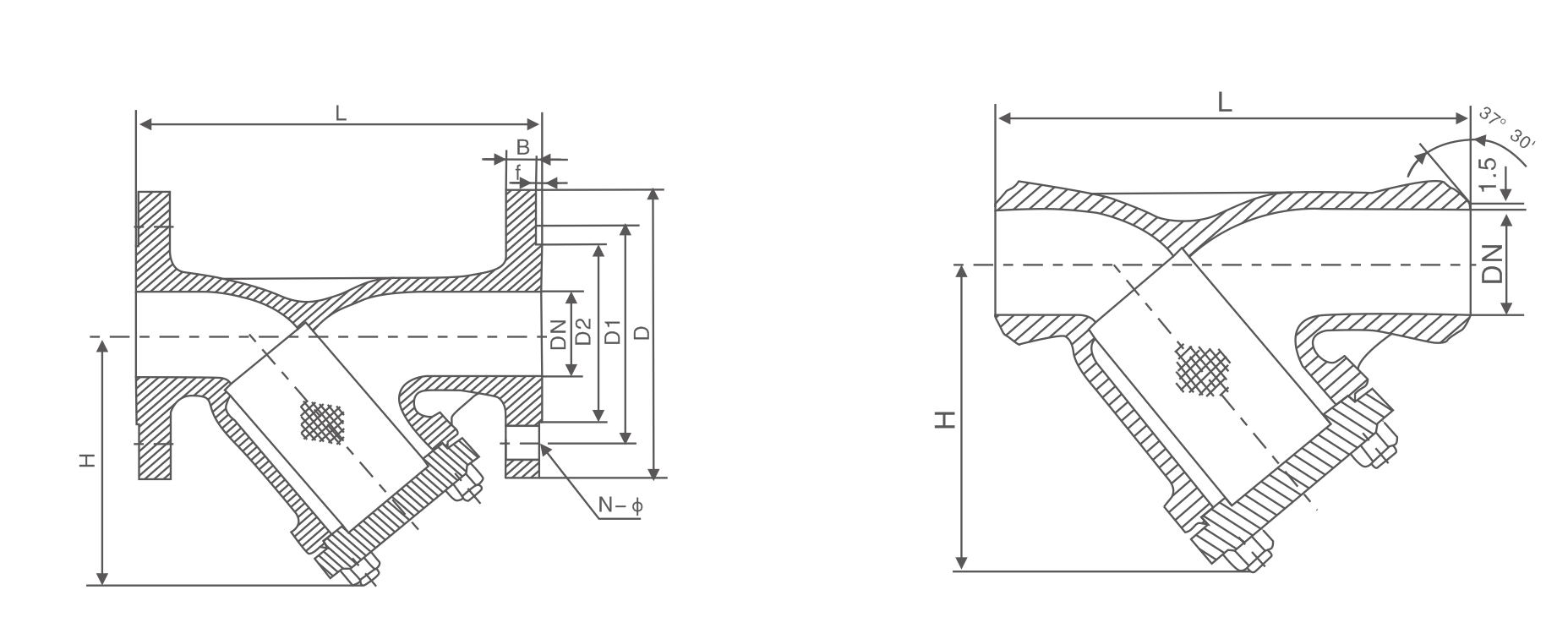
主要连接尺寸
|
DN |
L |
D |
D1 |
D2 |
b |
f |
Z-Φd |
H |
|
15 |
130 |
95 |
65 |
47 |
14 |
3 |
4-Φ14 |
74 |
|
20 |
150 |
105 |
75 |
58 |
16 |
3 |
4-Φ14 |
85 |
|
25 |
160 |
115 |
85 |
68 |
16 |
3 |
4-Φ14 |
95 |
|
32 |
180 |
140 |
100 |
78 |
18 |
3 |
4-Φ18 |
100 |
|
40 |
200 |
150 |
110 |
88 |
18 |
3 |
4-Φ18 |
120 |
|
50 |
230 |
165 |
125 |
102 |
18 |
3 |
4-Φ18 |
135 |
|
65 |
290 |
185 |
145 |
122 |
18 |
3 |
4-Φ18 |
185 |
|
80 |
310 |
200 |
160 |
138 |
22 |
3 |
8-Φ18 |
200 |
|
100 |
350 |
220 |
180 |
158 |
24 |
3 |
8-Φ18 |
235 |
|
125 |
400 |
250 |
210 |
188 |
26 |
3 |
8-Φ18 |
285 |
|
150 |
480 |
285 |
240 |
212 |
26 |
3 |
8-Φ23 |
300 |
|
200 |
600 |
340 |
295 |
268 |
30 |
3 |
12-Φ23 |
385 |
|
250 |
730 |
405 |
355 |
320 |
32 |
3 |
12-Φ27 |
458 |
|
300 |
850 |
460 |
410 |
378 |
32 |
4 |
12-Φ27 |
510 |
|
350 |
980 |
520 |
470 |
438 |
36 |
4 |
16-Φ27 |
650 |
|
400 |
1100 |
580 |
525 |
490 |
38 |
4 |
16-Φ30 |
740 |
随着经济高速发展,市场竞争越来越激烈,用户对阀门产品的要求也越来越多,并且对服务的要求也越来越高;我司销售部门为适应市场发展的要求,专业设立了服务培训组,为服务质量添加完善的工作,我司的售前、售中、售后服务工作经由专业的销售员来完成。
一、冠环阀门售前服务:
做到技术与销售的良好结合,让用户的每一次采购都有较好的服务体验。
①进行采购前产品技术沟通和交流,主动给予建议。
②在进行产品型号选择时考虑是否成本合理工矿效率等问题。
③不能达到工矿要求时,根据客户的特殊要求,安排设计师合理改善。
二、冠环阀门售中服务:
尊重每位用户;给用户一份省心,放心的整体价值服务。
①进行性价比:比价格,比质量,比服务,反思是否有不做到位的地方。
②严格按相关标准和技术要求进行阀门的检测和试验。
③在合作过程中,依照合同,保质保量准时交货,随时保持与用户联系。
④定制期间,相关技术人员可来我司进行产品监造和检验,同时,我司会提供该产品的结构图及详细文件资料,来做监造文件。
⑤对特殊工矿或定做的产品,可协商专业技术员亲临现场指导。
⑥我公司在发货前以电话进行产品型号、口径、数量、件数的确认。
三、冠环阀门售后服务:
好的服务铸就好的企业让客户无后顾之忧。
①按合同要求提供产品的合格证、检验报告、安装说明书等。
②顾客在验收产品过程中,如出现与合同要求不符时,我司接到顾客通知后两小时内给予处理。
③我司提供十二个月的产品质保期,时间从验收合格之日起计算。
④在正确安装和使用下,出现产品质量问题,本公司将负责到底。
冠环阀门包修包换承诺:
①在正常的储运、安装、保养、使用条件下,因产品的质量问题不能正常使用时,提供三保四包: 保质、保量、保及时、包修、包换、包退、包损失。
②在接到质量信息反馈时,将在24小时内提出处理意见,并做到100小时内赶到现场做处理。
③可根据用户需求协商提供备品、备件和安装、调试、维修服务。
为了让您采购到满意的阀门,减少阀门订购过程出现的问题,也是提高我们工作人员的工作效率。我们希望您提供详尽的订货需求,以便我们为您提高更周到的服务!
阀门订货说明:
1、①产品名称与型号,②公称直径,③阀体材质,④公称压力,⑤使用介质,⑥使用温度,⑦驱动方式,⑧是否带附件,以便我们的为您正确选型。
2、如有特殊要求时请在订购产品时注明。
3、若已经由设计单位选定的型号,请按型号直接向我司销售部订购。
4、当使用的场合非常重要或环境比较复杂时,请您尽量提供设计图。
欢迎您访问我们的网站,如有任何疑问,您可以致电给我们,我们一定会尽心尽力为您提供高品质的服务,详细咨询:15000098987。


我要咨询









021-67895388
shghfmc@163.com