三偏心法兰蝶阀
产品型号:D343H/W/Y
公称通径:DN50mm~DN2000mm
压力范围:PN0.6MPa~6.4MPa
使用温度:-40℃~425℃
适用介质:导热油、蒸汽、燃气
执照标准:JB/T8527
法兰标准:GB/T9113
长度标准:GB/T12221
检验标准:GB/T13927
三偏心蝶阀是将正锥角旋转一个角度改为斜锥角,这样阀杆与阀体中心偏心减小,开启力矩也随之减小。广泛用于冶金 、电力、石油化工、以及给排水和市政建设等工业管道上,作调节流量和载断流体使用。
其主要结构特点有
1、蝶板与密封面启闭无摩擦,强制密封;
2、可以任意位置安装;3、零泄漏结构设计;
4、可选择金属与非金属,金属与金属密封方式;
5、有单向阀门和双向阀门供客户选择;
6、可选择动负载式填料;
7、可选择低泄露填料满足ISO 15848要求;
8、阀杆可加长设计;
9、可以按客户要求设计低温阀门或超低温阀门。
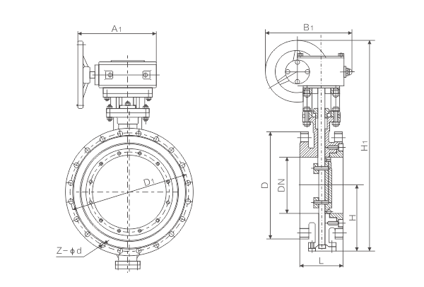
主要外形连接尺寸
|
DN |
L |
H |
D343H |
D643H |
0943H |
PN1.6MPa |
PN2.5MPa |
||||||||||||
|
毫米 |
英寸 |
短 |
长 |
H1 |
A1 |
B1 |
H2 |
A2 |
B2 |
H3 |
A3 |
B3 |
D |
D1 |
Z-d |
D |
D1 |
Z-d |
|
|
50 |
2 |
108 |
150 |
112 |
350 |
180 |
200 |
625 |
245 |
72 |
530 |
250 |
255 |
165 |
125 |
4-18 |
165 |
125 |
4-18 |
|
65 |
21/2 |
112 |
170 |
115 |
370 |
180 |
200 |
625 |
245 |
72 |
530 |
250 |
255 |
185 |
145 |
8-18 |
185 |
145 |
8-18 |
|
80 |
3 |
114 |
180 |
120 |
380 |
180 |
200 |
645 |
245 |
72 |
565 |
250 |
255 |
200 |
160 |
8-18 |
200 |
160 |
8-18 |
|
100 |
4 |
127 |
190 |
138 |
420 |
180 |
200 |
675 |
355 |
92 |
600 |
250 |
255 |
220 |
180 |
8-18 |
235 |
190 |
8-22 |
|
125 |
5 |
140 |
200 |
164 |
460 |
180 |
200 |
715 |
355 |
92 |
640 |
250 |
255 |
250 |
210 |
8-18 |
270 |
220 |
8-26 |
|
150 |
6 |
140 |
210 |
175 |
555 |
270 |
280 |
800 |
355 |
92 |
705 |
300 |
315 |
285 |
240 |
8-22 |
300 |
250 |
8-26 |
|
200 |
8 |
152 |
230 |
200 |
760 |
400 |
425 |
850 |
250 |
170 |
775 |
300 |
315 |
340 |
295 |
12-22 |
360 |
310 |
12-26 |
|
250 |
10 |
165 |
250 |
243 |
830 |
400 |
425 |
925 |
250 |
170 |
945 |
300 |
315 |
405 |
355 |
12-26 |
425 |
370 |
12-30 |
|
300 |
12 |
178 |
270 |
250 |
895 |
450 |
560 |
1035 |
450 |
220 |
1070 |
300 |
315 |
460 |
410 |
12-26 |
485 |
430 |
16-30 |
|
350 |
14 |
190 |
290 |
280 |
950 |
450 |
560 |
1070 |
450 |
220 |
1140 |
300 |
315 |
520 |
470 |
16-26 |
555 |
490 |
16-33 |
|
400 |
16 |
216 |
310 |
305 |
1190 |
535 |
580 |
1190 |
450 |
220 |
1210 |
300 |
315 |
580 |
525 |
16-30 |
620 |
550 |
16-36 |
|
450 |
18 |
222 |
330 |
350 |
1255 |
535 |
580 |
1250 |
650 |
280 |
1335 |
575 |
714 |
640 |
585 |
20-30 |
670 |
600 |
20-36 |
|
500 |
20 |
229 |
350 |
380 |
1305 |
535 |
580 |
1290 |
650 |
280 |
1415 |
575 |
714 |
715 |
650 |
20-33 |
730 |
660 |
20-36 |
|
600 |
24 |
267 |
390 |
445 |
1340 |
570 |
660 |
1455 |
850 |
380 |
1605 |
656 |
810 |
840 |
770 |
20-36 |
845 |
770 |
20-39 |
|
700 |
28 |
292 |
430 |
480 |
1520 |
750 |
550 |
1585 |
850 |
380 |
1844 |
656 |
810 |
910 |
840 |
24-36 |
960 |
875 |
24-42 |
|
800 |
32 |
318 |
470 |
530 |
1710 |
750 |
550 |
1700 |
1250 |
380 |
2040 |
656 |
810 |
1025 |
950 |
24-39 |
1085 |
990 |
24-48 |
|
900 |
36 |
330 |
510 |
580 |
1810 |
750 |
550 |
1865 |
1250 |
380 |
2255 |
785 |
863 |
1125 |
1050 |
28-39 |
1185 |
1090 |
28-48 |
|
1000 |
40 |
410 |
550 |
650 |
1960 |
900 |
750 |
2015 |
1250 |
380 |
2380 |
785 |
863 |
1255 |
1170 |
28-42 |
1320 |
1210 |
28-56 |
|
1200 |
48 |
470 |
630 |
760 |
2250 |
1000 |
925 |
2250 |
1250 |
380 |
2640 |
785 |
863 |
1485 |
1390 |
32-48 |
1530 |
1420 |
32-56 |
|
1400 |
56 |
530 |
710 |
850 |
2435 |
1000 |
925 |
|
|
|
2886 |
|
|
1685 |
1590 |
36-48 |
1755 |
1640 |
36-62 |
|
1600 |
64 |
600 |
790 |
1030 |
2780 |
1000 |
980 |
|
|
|
3156 |
|
|
1930 |
1820 |
40-56 |
1975 |
1860 |
40-62 |
|
1800 |
72 |
670 |
870 |
1230 |
3020 |
1100 |
980 |
|
|
|
3421 |
|
|
2130 |
2020 |
44-56 |
2195 |
2070 |
44-70 |
随着经济高速发展,市场竞争越来越激烈,用户对阀门产品的要求也越来越多,并且对服务的要求也越来越高;我司销售部门为适应市场发展的要求,专业设立了服务培训组,为服务质量添加完善的工作,我司的售前、售中、售后服务工作经由专业的销售员来完成。
一、冠环阀门售前服务:
做到技术与销售的良好结合,让用户的每一次采购都有较好的服务体验。
①进行采购前产品技术沟通和交流,主动给予建议。
②在进行产品型号选择时考虑是否成本合理工矿效率等问题。
③不能达到工矿要求时,根据客户的特殊要求,安排设计师合理改善。
二、冠环阀门售中服务:
尊重每位用户;给用户一份省心,放心的整体价值服务。
①进行性价比:比价格,比质量,比服务,反思是否有不做到位的地方。
②严格按相关标准和技术要求进行阀门的检测和试验。
③在合作过程中,依照合同,保质保量准时交货,随时保持与用户联系。
④定制期间,相关技术人员可来我司进行产品监造和检验,同时,我司会提供该产品的结构图及详细文件资料,来做监造文件。
⑤对特殊工矿或定做的产品,可协商专业技术员亲临现场指导。
⑥我公司在发货前以电话进行产品型号、口径、数量、件数的确认。
三、冠环阀门售后服务:
好的服务铸就好的企业让客户无后顾之忧。
①按合同要求提供产品的合格证、检验报告、安装说明书等。
②顾客在验收产品过程中,如出现与合同要求不符时,我司接到顾客通知后两小时内给予处理。
③我司提供十二个月的产品质保期,时间从验收合格之日起计算。
④在正确安装和使用下,出现产品质量问题,本公司将负责到底。
冠环阀门包修包换承诺:
①在正常的储运、安装、保养、使用条件下,因产品的质量问题不能正常使用时,提供三保四包: 保质、保量、保及时、包修、包换、包退、包损失。
②在接到质量信息反馈时,将在24小时内提出处理意见,并做到100小时内赶到现场做处理。
③可根据用户需求协商提供备品、备件和安装、调试、维修服务。
为了让您采购到满意的阀门,减少阀门订购过程出现的问题,也是提高我们工作人员的工作效率。我们希望您提供详尽的订货需求,以便我们为您提高更周到的服务!
阀门订货说明:
1、①产品名称与型号,②公称直径,③阀体材质,④公称压力,⑤使用介质,⑥使用温度,⑦驱动方式,⑧是否带附件,以便我们的为您正确选型。
2、如有特殊要求时请在订购产品时注明。
3、若已经由设计单位选定的型号,请按型号直接向我司销售部订购。
4、当使用的场合非常重要或环境比较复杂时,请您尽量提供设计图。
欢迎您访问我们的网站,如有任何疑问,您可以致电给我们,我们一定会尽心尽力为您提供高品质的服务,详细咨询:15000098987。


我要咨询










021-67895388
shghfmc@163.com