全焊接球阀
阀门型号:Q367F
连接方式:焊接,对焊
压力等级:PN 2.5MPa
产品规格:DN125~600mm
产品材质:WCB,A105,F11,F22,F304 , F316 , C F 8 , CF8M , WCC或根据客户要求选
适用温度:-29℃≤t≤200 ℃(跟阀体材质及密封面材质不同所承温有差异)
适用介质:水、石油、天然气等
驱动方式:蜗轮传动
设计规范:API 6D、ASMEB 16.34
压力-温度等级:ASME B16.34、API608
结构长度:ASME B16.10、GB12221
对焊端形式:ASME B16.25、ASME B31.4/31.8
检验与试验:API 598、API 6D、GB13927
耐火试验:API 607、API 6FA
全焊接球阀在各个领域使用非常广泛。其优越的品质和高性能的稳定性是普通铸钢球阀所无法达到的,其使用寿命远远大于铸钢球阀,全焊接球阀广泛应用于城市燃气、城市供热、石油化工、造船、钢铁、调压站、发电厂等各类管道设备上。全焊接球阀可以直埋于地下,不用建高大阀门井减少工程造价,同时也可以避免操作阀门时造成人员的伤害,全焊接球阀能长期可靠运行使用。与同类行业的同种规格产品相比,阀体小,而且外形美观。
结构特点
全焊接球阀为一体式全焊接球阀,不会有外部泄漏等现象,由于阀座是由PTFE密封环及弹簧构成的,所以对压力和温度的变化适应能力强,在使用范围内不会产生任何泄漏。球体的加工过程有先进的计算机检测仪跟踪检测,以球体的加工精度高。由于阀体材料跟管道材质一样,不会出现应力不均,不会由于地震及车辆经过地面时而产生变形,管道耐老化。密封环本体采用含量20%C(碳素)的PTFE材质,保障完全无泄漏(0%)。

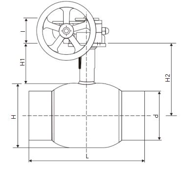
主要连接尺寸
|
DN(mm) |
公称直径 |
H |
d |
t |
L |
H1 |
H2 |
I |
ISO |
W T(kg) |
|
A/B |
||||||||||
|
125 |
100 |
193 |
139.7/133 |
5 |
325 |
42 |
221 |
40 |
F07 |
22 |
|
150 |
125 |
219 |
168.3/159 |
6 |
350 |
83 |
245 |
50 |
F10 |
32 |
|
200 |
150 |
273 |
219.1/219 |
7 |
400 |
84 |
289 |
60 |
F12 |
44 |
|
250 |
200 |
351 |
273/273 |
8 |
559 |
90 |
306 |
84 |
F14 |
102 |
|
300 |
250 |
425 |
323.9/325 |
12 |
635 |
87 |
336 |
105 |
F16 |
150 |
|
350 |
300 |
508 |
355.6/377 |
14 |
762 |
102 |
395 |
110 |
F25 |
267 |
|
400 |
350 |
610 |
406.4/426 |
14 |
838 |
95 |
445 |
120 |
F25 |
460 |
|
450 |
400 |
610 |
457/480 |
16 |
914 |
95 |
460 |
120 |
F25 |
550 |
|
500 |
400 |
680 |
508/530 |
18 |
991 |
95 |
522 |
150 |
F30 |
720 |
|
600 |
500 |
813 |
610/630 |
22 |
1143 |
105 |
610 |
170 |
F30 |
1600 |
随着经济高速发展,市场竞争越来越激烈,用户对阀门产品的要求也越来越多,并且对服务的要求也越来越高;我司销售部门为适应市场发展的要求,专业设立了服务培训组,为服务质量添加完善的工作,我司的售前、售中、售后服务工作经由专业的销售员来完成。
一、冠环阀门售前服务:
做到技术与销售的良好结合,让用户的每一次采购都有较好的服务体验。
①进行采购前产品技术沟通和交流,主动给予建议。
②在进行产品型号选择时考虑是否成本合理工矿效率等问题。
③不能达到工矿要求时,根据客户的特殊要求,安排设计师合理改善。
二、冠环阀门售中服务:
尊重每位用户;给用户一份省心,放心的整体价值服务。
①进行性价比:比价格,比质量,比服务,反思是否有不做到位的地方。
②严格按相关标准和技术要求进行阀门的检测和试验。
③在合作过程中,依照合同,保质保量准时交货,随时保持与用户联系。
④定制期间,相关技术人员可来我司进行产品监造和检验,同时,我司会提供该产品的结构图及详细文件资料,来做监造文件。
⑤对特殊工矿或定做的产品,可协商专业技术员亲临现场指导。
⑥我公司在发货前以电话进行产品型号、口径、数量、件数的确认。
三、冠环阀门售后服务:
好的服务铸就好的企业让客户无后顾之忧。
①按合同要求提供产品的合格证、检验报告、安装说明书等。
②顾客在验收产品过程中,如出现与合同要求不符时,我司接到顾客通知后两小时内给予处理。
③我司提供十二个月的产品质保期,时间从验收合格之日起计算。
④在正确安装和使用下,出现产品质量问题,本公司将负责到底。
冠环阀门包修包换承诺:
①在正常的储运、安装、保养、使用条件下,因产品的质量问题不能正常使用时,提供三保四包: 保质、保量、保及时、包修、包换、包退、包损失。
②在接到质量信息反馈时,将在24小时内提出处理意见,并做到100小时内赶到现场做处理。
③可根据用户需求协商提供备品、备件和安装、调试、维修服务。
为了让您采购到满意的阀门,减少阀门订购过程出现的问题,也是提高我们工作人员的工作效率。我们希望您提供详尽的订货需求,以便我们为您提高更周到的服务!
阀门订货说明:
1、①产品名称与型号,②公称直径,③阀体材质,④公称压力,⑤使用介质,⑥使用温度,⑦驱动方式,⑧是否带附件,以便我们的为您正确选型。
2、如有特殊要求时请在订购产品时注明。
3、若已经由设计单位选定的型号,请按型号直接向我司销售部订购。
4、当使用的场合非常重要或环境比较复杂时,请您尽量提供设计图。
欢迎您访问我们的网站,如有任何疑问,您可以致电给我们,我们一定会尽心尽力为您提供高品质的服务,详细咨询:15000098987。


我要咨询


















021-67895388
shghfmc@163.com