Thin ceramic slagging valve

Thin ceramic slagging valve

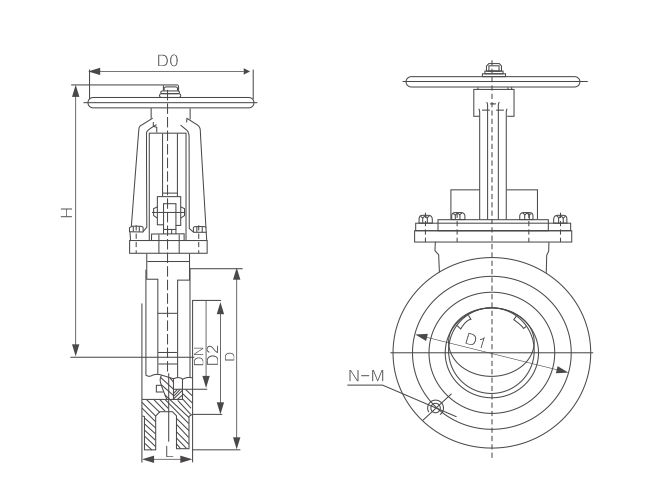
Product model: PZ73TC
Nominal diameter: DN50~600mm
Pressure range: PN1.0Mpa
Main material: carbon steel, stainless steel, etc
Applicable temperature: ≤150℃
Applicable media: dry dust, water, steam and other media
Connection type: clamp
Product overview
PZ73TC thin ceramic slag-discharge valve is suitable for opening and closing of all kinds of dry dust, water, steam and other media with wear in mining, papermaking, chemical industry and so on. It is suitable for dry ash system of power plant and warehouse pump. The valve has good sealing performance, strong wear resistance, small starting load, less stuck ash and ash accumulation, and long service life.
Manual ceramic slag-discharge slurry valve is a kind of thin engineering ceramic slag-discharge slurry valve, which is specially designed and manufactured for medium pipelines under solid-liquid two-phase flow condition. Toughened engineering ceramics are not only used as the main material for shutting off and resisting throttling. At the same time, it is designed to resist throttling scour for the purpose of the structural form, to meet the dual-use function of the medium pipe turn-off or turn-off + throttling. After many years of practice, it has been proved that the service life of the valve is greatly improved compared with that of the ordinary slag-discharging liquid valve. Manual ceramic slagging valve is used for the installation of the hand wheel opening and closing valve position due to the narrow working area or installation orientation.

Scope of application
1, mining, iron and steel industry - used for coal, filter slurry, etc
2, purification device - used for wastewater, mud, dirt and clarified water with suspended matter.
3, paper industry - used for any concentration of pulp, material and water mixture.
4, power station ash removal - used for ash slurry.