Electric cast steel fixed ball valve
Diameter specification: DN25~700mm
Structural form: two-stage cast valve body
Valve body material: cast steel (WCB), stainless steel (304, 316, 316L)
Nominal pressure: PN1.6, 2.5, 4.0, 6.4MPa
Applicable temperature: -40 ℃~425 ℃
Application scope: Petrochemical, gas equipment, power equipment, environmental water treatment
Product overview
Electric cast steel fixed ball valve is generally used for high pressure and large diameter of all kinds of pipelines, using the upper and lower stem fixed spool (shaft support) and movable sealing seat design, closed, under the action of medium pressure, the ball will not produce displacement, more stable work. Usually connected with the ball on the upper and lower shaft, equipped with rolling bearings, or sliding bearings, to reduce the friction generated by the journal when opening and closing, reduce the operating torque, has been widely used in various industries. According to the selection of different materials, can be applied to water, steam, oil, liquefied gas, natural gas, gas, nitric acid, acetic acid, oxidizing medium, urea and other media.

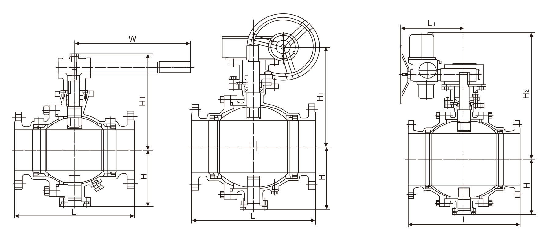
Main connection size(PN1.6MPa)
|
|
25 |
32 |
40 |
50 |
65 |
80 |
100 |
125 |
150 |
200 |
250 |
300 |
350 |
400 |
450 |
500 |
600 |
700 |
|
|
d1 |
25 |
32 |
40 |
50 |
65 |
80 |
100 |
125 |
150 |
200 |
250 |
300 |
337 |
387 |
438 |
489 |
591 |
686 |
|
|
L |
165 |
180 |
190 |
216 |
241 |
283 |
305 |
356 |
394 |
457 |
533 |
610 |
686 |
762 |
864 |
914 |
1067 |
1245 |
|
|
H |
50 |
55 |
80 |
102 |
114 |
127 |
152 |
184 |
219 |
273 |
360 |
395 |
430 |
470 |
550 |
580 |
700 |
800 |
|
|
|
H2 |
- |
- |
- |
- |
- |
- |
- |
- |
554 |
600 |
652 |
760 |
770 |
830 |
- |
940 |
940 |
1115 |
|
L1 |
- |
- |
- |
- |
- |
- |
- |
- |
235 |
235 |
235 |
259 |
400 |
400 |
- |
410 |
410 |
410 |
|
Main connection size(PN2.5MPa)
|
|
25 |
32 |
40 |
50 |
65 |
80 |
100 |
125 |
150 |
200 |
250 |
300 |
350 |
400 |
450 |
500 |
600 |
700 |
|
|
d1 |
25 |
32 |
40 |
50 |
65 |
80 |
100 |
125 |
150 |
200 |
250 |
300 |
337 |
387 |
438 |
489 |
591 |
686 |
|
|
L |
165 |
180 |
190 |
216 |
241 |
283 |
305 |
381 |
403 |
502 |
568 |
648 |
762 |
838 |
914 |
991 |
1143 |
1346 |
|
|
H |
50 |
55 |
80 |
102 |
114 |
127 |
152 |
184 |
219 |
273 |
360 |
395 |
430 |
470 |
550 |
580 |
700 |
800 |
|
|
H2 |
- |
- |
- |
- |
- |
- |
- |
- |
235 |
235 |
400 |
400 |
410 |
410 |
- |
420 |
690 |
690 |
|
L1 |
- |
- |
- |
- |
- |
- |
- |
- |
74 |
350 |
350 |
420 |
420 |
400 |
- |
400 |
410 |
650 |
|
Main connection size(PN4.0MPa)
|
|
25 |
32 |
40 |
50 |
65 |
80 |
100 |
125 |
150 |
200 |
250 |
300 |
350 |
400 |
450 |
500 |
600 |
700 |
|
|
d1 |
25 |
32 |
40 |
50 |
65 |
80 |
100 |
125 |
150 |
200 |
250 |
300 |
337 |
387 |
438 |
489 |
591 |
686 |
|
|
L |
165 |
180 |
190 |
216 |
241 |
283 |
305 |
381 |
403 |
502 |
568 |
648 |
762 |
838 |
914 |
991 |
1143 |
1346 |
|
|
H |
50 |
55 |
80 |
102 |
114 |
127 |
152 |
184 |
219 |
273 |
360 |
395 |
430 |
470 |
550 |
580 |
700 |
800 |
|
|
H2 |
- |
- |
- |
- |
- |
- |
- |
- |
235 |
235 |
400 |
400 |
410 |
410 |
- |
420 |
690 |
690 |
|
L1 |
- |
- |
- |
- |
- |
- |
- |
- |
74 |
350 |
350 |
420 |
420 |
400 |
- |
400 |
410 |
650 |
|
Main connection size(PN6.4MPa)
|
|
50 |
65 |
80 |
100 |
150 |
200 |
250 |
300 |
350 |
400 |
500 |
600 |
700 |
|
|
d1 |
50 |
65 |
80 |
100 |
150 |
200 |
250 |
300 |
337 |
387 |
489 |
591 |
686 |
|
|
L |
292 |
330 |
356 |
406 |
495 |
597 |
673 |
762 |
826 |
902 |
1054 |
1232 |
1397 |
|
|
H |
114 |
124 |
133 |
159 |
250 |
294 |
395 |
445 |
500 |
530 |
660 |
800 |
900 |
|
|
H2 |
- |
- |
- |
- |
554 |
574 |
731 |
771 |
867 |
802 |
979 |
1085 |
1148 |
|
L1 |
- |
- |
- |
- |
235 |
235 |
400 |
400 |
410 |
410 |
420 |
690 |
690 |
|

Contact us























+86-021-67895388
shghfmc@163.com
93862333